

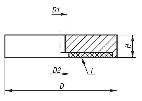
MAGNET FLACHGREIFER D1=M10 H=15 NDFEB, RUND, KOMP:STAHL, D=75
Artikelnummer:4059245170005
EAN:4059245170005
Hersteller ID:K0556.04
Haftkraft N1750
H=Höhe15
D1=GewindeM10
D=Außendurchmesser75


