


NIEDERZUGSPANNER MIT EXZENTER, M10, S=5, F=5,5, VERGÜTUNGSSTAHL SCHWARZ BRÜNIERT
Artikelnummer:4059245559732
EAN:4059245559732
Hersteller ID:K1695.101
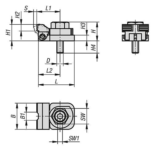
SW18
Spannkraft kN5,5
SW=Schlüsselweite24
Hub S5
B=Breite40
D=GewindeM10
H=Höhe29
L=Länge54
Anzieh- drehmoment max. Nm55



