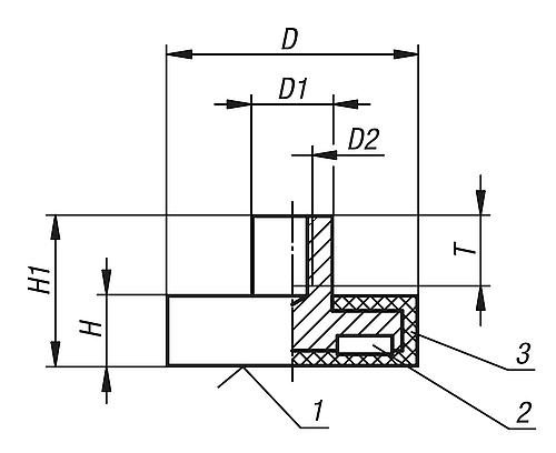
Werkstoff: Gehäuse Stahl. Magnetkern NdFeB (Neodym). Gummischutzmantel synthetischer Gummi. Ausführung: Gehäuse verzinkt. Gummischutzmantel schwarz. Bestellbeispiel: K0563.01 Hinweis: Flachgreifer mit Gewindebuchse, geschirmtes System. Mit Gummischutzmantel zum Schutz von empfindlichen Oberflächen. Durch den Gummischutzmantel erhöht sich der Reibungskoeffizient, so dass hohe seitliche Haftreibungskräfte erzielt werden. Temperaturbereich: max. 60 °C. Zeichnungshinweis: 1) Haftfläche 2) Magnet 3) Gummi




