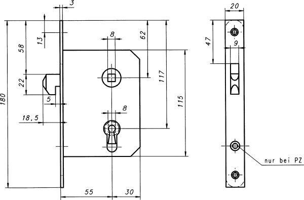
• Mit verschließbarer Hakenfalle und Schließblech • Dornmaß: 55 mm • Stulp: 20 x 180 mm, kantig, silberfarbig lackiert • PZ-vorgerichtet